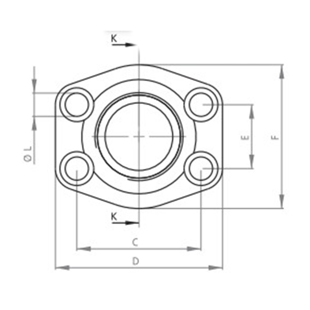
SAE 3000 PSI
| KOD | A | B | C | D | E | F | G | H | I | L | M | O-RING |
| SAE3001 | R 1/2″ | 13 | 38.1 | 54 | 17.48 | 46 | 36 | 16 | 19 | 8.5 | M 8X30 | 18.66X3.53 |
| SAE3002 | R 3/4″ | 19 | 47.63 | 65 | 22.23 | 50 | 36 | 18 | 19 | 10.5 | M 10X35 | 25X3.53 |
| SAE3003 | R 1″ | 25 | 52.37 | 70 | 26.19 | 55 | 38 | 18 | 19 | 10.5 | M 10X35 | 32.92X3.53 |
| SAE3004 | R1 1/4″ | 32 | 58.72 | 79 | 30.18 | 68 | 41 | 21 | 22 | 10.5 | M 10X40 | 37.7X3.53 |
| SAE3005 | R1 1/2″ | 38 | 69.85 | 93 | 35.71 | 78 | 45 | 25 | 24 | 13 | M 12X45 | 47.22X3.53 |
| SAE3006 | R 2″ | 51 | 77.77 | 102 | 42.88 | 90 | 45 | 25 | 26 | 13 | M 12X45 | 56.75X3.53 |
| SAE3007 | R 2-1/2″ | 63 | 88.9 | 114 | 50.8 | 105 | 50 | 25 | 30 | 13 | M 12X45 | 69.45X3.53 |
| SAE3008 | R 3″ | 73 | 106.38 | 134 | 61.93 | 124 | 50 | 27 | 34 | 17 | M 16X50 | 85.32X3.53 |
| SAE3009 | R 3-1/2″ | 89 | 120.65 | 152 | 69.85 | 136 | 48 | 27 | 34 | 17 | M 16X50 | 98.02X3.53 |
| SAE3010 | R 4″ | 99 | 130.18 | 162 | 77.77 | 146 | 48 | 27 | 34 | 17 | M 16X50 | 110.72X3.53 |
| SAE3011 | R 5″ | 120 | 152.4 | 190 | 92.08 | 180 | 50 | 28 | 30 | 17 | M 16X55 | 136.12X3.53 |
SAE 6000 PSI
| KOD | A | B | C | D | E | F | G | H | I | L | M | O-RING |
| SAE6001 | R 1/2″ | 13 | 40.49 | 54 | 18.24 | 46 | 36 | 16 | 19 | 8.5 | M 8X30 | 18.66X3.53 |
| SAE6002 | R 3/4″ | 19 | 50.8 | 71 | 23.8 | 55 | 35 | 21 | 22 | 10.5 | M 10X35 | 25X3.53 |
| SAE6003 | R 1″ | 25 | 57.15 | 81 | 27.76 | 65 | 42 | 25 | 24 | 13 | M 12X45 | 32.92X3.53 |
| SAE6004 | R1 1/4″ | 32 | 66.68 | 95 | 31.75 | 78 | 45 | 27 | 25 | 15 | M 14X45 | 37.7X3.53 |
| SAE6005 | R1 1/2″ | 38 | 79.38 | 112 | 36.5 | 94 | 50 | 30 | 28 | 17 | M 16X50 | 47.22X3.53 |
| SAE6006 | R 2″ | 51 | 96.82 | 134 | 44.45 | 114 | 65 | 37 | 30 | 21 | M 20X65 | 56.75X3.53 |
| SAE6007 | R 2-1/2″ | 63 | 123.8 | 165 | 58.70 | 152 | 80 | 45 | 45 | 25 | M 24X75 | 69.45X3.53 |
| SAE6008 | R 3″ | 73 | 152.4 | 208 | 71.40 | 178 | 90 | 50 | 55 | 32 | M 30X80 | 85.32X3.53 |





